一品楼ypl论坛,一品凤楼论坛的官网入口,辽宁楼凤论坛qm,一品楼免费论坛

10kV配网自动化建设中的环网柜运用

发布时间:2021-06-18 11:18:31

一体化智能环网柜是10kV配网自动化建设的重要组成部分。以现阶段配网自动化发展情况为基础,结合近年来一体化智能环网柜发展特点,明确时代发展对配网设备技术性能提出的要求,分析如何在10kV配网自动化建设中合理运用一体化智能环网柜,以此为我国配网建设工作发展提供有效依据。

现阶段,虽然配电自动化建设已经成为电力行业关注的焦点之一,但整体水平依旧处于发展的初级阶段,原因在于配网建设投入资金低于主网建设,且实际自动化水平不高,最终导致我国供电质量远远低于国际水平。同时,受性能较低的配网设备技术影响,全国各地供电恢复速度较慢,且出现安全事故的概率非常高,这样不仅会影响城市居民的生活质量,而且会制约城市经济发展速度。因此,在我国电力市场经济逐渐构成的同时,有关负责人要在明确配网问题后,对城市配网自动化建设工作进行全面探索,并将一体化智能环网柜引用到工作中,只有这样才能加快我国配网建设步伐。下面对一体化智能环网柜在10kV配网自动化建设中的运用进行研究。

1分析配网自动化

简单来说,配网自动化是指应用通信技术和计算机网络技术,对地理图形、配网信息及用户数据等实施集成,最终能对配电系统的实际运行与安全事故进行控制、监控等功能的自动化系统。了解当前配网自动化建设工作情况可知,其对优化配电网供电有效性具有积极作用,且能引导配网管理工作向着自动化革新,此时不仅能提升整体管理水平,提高劳动生产率,而且可以减少成本支出,从而确保配网经济具备可行性和有效性。通常情况下,配网自动化系统包含了三部分:配电主站、配电子站及配电终端。其中,配电自动化通信系统的技术水平决定了整体系统运行效率。在实践工作中,通信系统作为储备生产与管理信息的重要平台,会有效连接主站、子站及终端三部分,因此属于保障电力安全和生产质量的重要内容。

提高配电网工作效率和经济效益是进行配电自动化建设工作的根本要求,同时也是确保智能配电网有序运行的重要方式。配电系统作为智能电网有序运行的主要组成部分,在建设配网自动化工作中,有助于实现配电系统智能化发展目标。由此,在新形势下,智能配电网会随着发展涌现出新的改变,具体分为:其一,在配电网自动化系统中,电源分布、储能系统设计等都可以解决以往发展问题;其二,在配电网自动化系统中引用的高级软件,可以持续改善智能电网重构工作。

2当前一体化智能环网柜应用现状分析

在我国社会经济和科学技术持续发展中,电力市场经济逐渐构成。在这一背景下,配网存在的缺陷得到了展现,不仅威胁着城市经济发展步伐,而且会降低当地居民的用电质量,因此在电力行业持续发展中,构建符合城市建设发展的配网自动化已经成为现如今急需解决的难题。由于一体化智能环网柜的提出,对我国配电自动化建设工作具有积极作用,且可以加快我国配电系统革新步伐,所以在未来发展中必须要对配电控制的一体化智能环网柜进行全面探索,只有这样才能为所在地区的电力行业发展获取更多效益。

现阶段,最常见的10kV一体化智能环网柜已经成为我国东南沿海区域革新电力系统的重要依据,同时国外很多发达国家也已认识到这一技术的优势,并开始在实践中广泛应用。在这一背景下,配电自动化建设工作发展较快,且有关研究人员从中累积了大量经验。随着社会经济的不断发展,人们生活质量的提高,他们在接受新鲜事物时不再抵触,相反开始自主思考和研究,此时再得到政府部门的支持和认可,一体化智能环网柜的研发与应用势必可以成为电力行业实现可持续发展的重要依据。

了解当前我国配网自动化建设情况可知,虽然依旧处于初级阶段,且对比主网建设投资,可用资金与自动化水平都不高,不仅难以保障供电质量,而且会影响当地经济发展。但从长远角度分析,只要有关负责人在明确一体化智能环网柜优势的同时,整合新时代发展提出的技术要求,对配网自动化建设进行全面探究,就能从中提出保障电力行业持续发展的优质技术。当前,由于配电自动化建设工作存在应用设备性能低、技术老套、安全事故频繁发生等问题,所以在运行中会有恢复供电时间长等影响,这样既会降低城市居民用电水平,又会影响电力行业发展速度。同时,部分地区的配网自动化水平虽然高,但也存在配电一二次设备过于分散的问题,各个厂家间的沟通不频繁,应用标准不明确等,都会给配电网运行质量安全带来负面影响。

3配网自动化建设中10kV一体化智能环网柜的运用分析

由于我国城网建设较早,投资多,而农网结构过于简单,且东西部发展不均衡,因此在城镇化进程中,以农业为核心的中西部地区开始了解与学习东南沿海地区的发展优势,并逐渐认识到配电网在国民经济发展中不可取代的积极作用,特别是配网自动化发展,实际结构会随着城市建设步伐持续优化。

3.1供电一次方案结构

因为城市配电对供电有效性的要求非常高,且环网节点较多,整体供电结构较为繁琐,所以在建设中会选择环网供电模式进行操作。通常情况下,这一模式需要引用全绝负荷开关柜、XGN口-12系列全密封这一供电模式作为载体,其中包含母线提升单元、断路器单元及负荷开关+熔断器组合电器单元等,在运行过程中与避雷器、电流等器件组合应用,能获取多样化的功能单元??椋耸痹诟鞲龅ピ涮砑幽赶?,可以让各个气箱随意组合与拓展,这样有助于获取全模块化的组合结构。

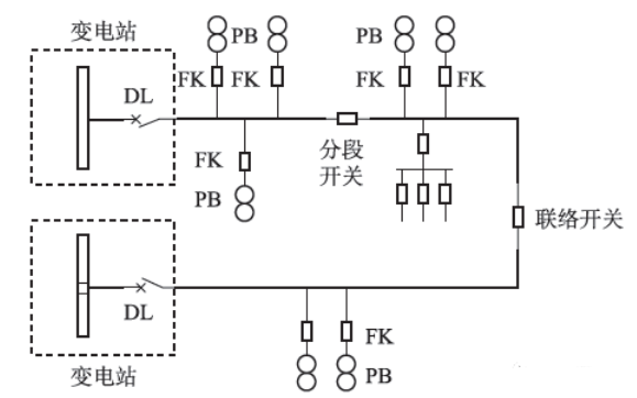
如下图所示,其作为现阶段典型的配电系统拓扑图,变电站的10kV出线配置断路器和对应?;ぃ飨呗分幸每胤侄?,各分支线路结合负荷开关的方式进行配置,且全部开关都具有合闸等功能。因为分段开关与负荷开关在运行期间,难以断开短路电流,所以不需要安装?;ど枋F渲?,图中的DL属于断路器,FK属于负荷开关,而PB是配变。

 

图目前典型配电系统拓扑图

3.2二次方案的测控模式分析

在完成城市环网供电一次方案后,还要提出与之相关的监控单元,其中具体功能分为以下几点:其一,监察和测量各回路的功率、电压及电流等,并及时上报给有关负责人;其二,明确环网柜中各开关的位置;其三,检查过流信号,供子站要做好故障隔离工作;其四,全面遥控各个开关;其五,做好开关的过流与过负荷?;すぷ鳎黄淞?,收集开关的气压信息。

分布式二次终端控制单元的设计,可以帮助工作人员进行故障隔离与分析、信息收集及全量监测等工作。通常情况下这一单元要安装在终端开闭位置,且与一次开关设备融为一体,两者能构成本文提及的一体化智能环网开关设备。

3.3远程调度与控制

从本质上讲,一体化智能环网开关设备最大的优势在于,能引用分布式二次终端控制单元全面监管终端配变等信息,促使工作人员在了解有关变化的基础上,研究获取数据信息,而后有效展现配电网络的信息,并作好相关操控。如负荷转移、故障点距离等,这些内容对保障其他线路供电安全具有积极作用。

3.4装置通信

通信作为自动化设备运行的核心内容,现阶段以光纤通信为核心的通信方式得到了社会各界的认可。因此,在配电自动化建设工作中,工作人员也要以光纤通信为核心,让各个终端可以快速传递信息,并实现资源贡献,这样有助于配电自动化充分展现自身拥有的功能。同时,由于配电自动化建设工作具备有效性高、抗干扰力强,且不会受外界因素制约等特点,所以可以用作图像、语言等内容的传递平台。

4对比总结

10kV配网自动化建设工作中,对比分析传统环网柜与一体化智能环网柜可知,在实践工作中应用一体化智能环网柜的优势主要分为以下几点:其一,一体化智能环网柜中包含了一次和二次设备,符合配网自动化发展需求,且在内部安装了分布式二次终端控制单元、电压互感器等内容,具有遥信全方位、配网遥测等功能,在实践发展中不仅应用技术越发娴熟,而且工作效率和安全质量得到了保障,能满足不同规模的配网需求。在新时代背景下,对一体化智能环网柜进行合理应用,有助于引导智能配网向着自动化和信息化的方向稳步前进;其二,在10kV城乡配网建设工作中,一体化智能环网柜在先进技术理念的引导下,有助于工作人员尽快了解运行期间存在的安全问题,并及时提出有效的处理对策,这样不仅能快速恢复供电,而且可以保障重要负荷的供电效率;其三,合理引用一体化智能环网柜能减少配网建设的实际投资,并引导整体系统向着智能化管理与双向沟通的方向稳步发展。

5结束语

综上所述,在社会经济和科学技术持续发展中,我国城镇化进程越来越快,此时作为人们生活和工作的基础内容,配电网络开始向着自动化发展,此时应用一体化智能环网柜可以从基础上突破传统人工管理模式的制约,不仅能提高居民用电质量,而且可以加快电力行业发展步伐。同时,因为一体化智能环网柜属于一个完善的自动化管理系统,结合光纤快速传递测控信号,既可以进行准确的故障定位,又能从中保障供电的有效性。因此,在新时代背景下,不管是政府机关还是基层群众都要加大对配网自动化建设的关注,注重引用一体化智能环网柜进行革新,只有这样才能引导电力行业持续发展。