一品楼ypl论坛,一品凤楼论坛的官网入口,辽宁楼凤论坛qm,一品楼免费论坛

电缆分支箱的安装应用

发布时间:2021-07-09 10:36:11

电缆分支箱在电力系统配网电缆化工程中,是一种经济、稳定、维护便利的接线方法,它全绝缘、全密封的特性而电缆线路毛病率大为降低,成为配网电缆化工程的首选设备。节省了设备和电缆的出资,提高了供电的可靠性,广泛适用于商业中心、工业园区及城市密集区。接下来,咱们就来了解一下。

一、电缆分支箱概述

电缆分支箱用于非骨干回路的分支线路,作为结尾负荷接入用电使用,适用于中小客户会集区域进行负荷分接时的接入用电,不应接入骨干环网及联络。电缆分支箱选用电缆进线1回,出线2回或4回,出线回路数可根据使用需要选用,额定电流为630A。选用全绝缘、全封闭、全屏蔽可触摸式结构,以及采纳防凝露、防内部毛病电弧外泄等措施。

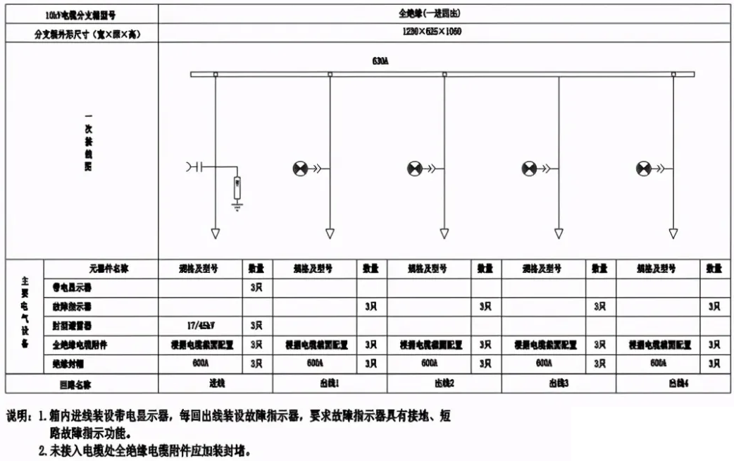
二、电缆分支箱电气一次部分

一进四出分支

进线带负荷开关

进出线负荷开关

进出线断路器

三、电缆分支箱分类

常见的电缆分支箱有美式电缆分支箱,欧式电缆分支箱,环网型电缆分支箱,带一台开关的电缆分支箱等,一般不含有?;ぷ爸?。

1)美式电缆分支箱,它以单向开门、横向母排为主要特点,具有宽度小、组合灵活、全绝缘、全密封等显著优点。600A主回路采用旋入式螺栓固定连接;分支回路采用拔插式连接。

 

分支箱主要由箱体、母排接板、电缆接头组成;箱体防护等级:IP43;母排接板:在电缆分支系统中起到母排的作用,其最大特点是全绝缘,全密封。包括二通接头、三通接头和四通接头。

按电流等级可分为200A600A两种。200A母排接板与肘型电缆插头连接;600A母排接板由于T型电缆接头或T-Ⅱ型电缆接头连接,从而组合成电缆多路出线。当母排接板留有预留接口时,可用相应的200A600A绝缘帽将此接口封住。

 

T型电缆接头,用于电缆分支箱的主网分支系统600A,既可以连接600A母排接板M,也可以和T-II型电缆接头600A侧连接?;蛘咧苯佑萌舾芍?/span>T型电缆接头组合连接,可灵活组合成多路多种型式的电缆分支。 

一起T型电缆接头也可作为环网柜的进出线电缆接头用,设备需求检修时,可将T型电缆接头安装在单通接头上,与检修设备进行隔离,在其测试点上也可以安装短路故障指示器或带电指示器,相同实现快速故障定位或线路带电状态指示。

2)欧式电缆分支箱,它的首要特点是双向开门、利用穿墙套管作为衔接母排,具有长度小、电缆摆放清楚、三芯电缆不需大跨度穿插等明显优点。一般选用额定电流630A螺栓固定衔接式电缆接头。

四、电缆分支箱的选型

(1)、橡塑外套为主材作为防护型的电缆分支箱。在长时间运转中易发生内界面别离及显露端头龟裂,使绝缘和密封受损,因而该产品的开展受到限制。

(2)、丙橡胶三元乙(EPDM)为主材的电缆接头密封型电缆分支箱。其原料偏硬,而EPDM为可燃性资料,易发生爬电或起弧容易燃烧,一起,防潮防水及抗老化的功用也较弱,达不到长时间运转免?;さ囊?。EPDM为有毒物质,对环保也存在不利因素。

(3)、硅橡胶为主材电缆接头防洪型电缆分支箱。其原料柔软,具有高弹性、高密度、全绝缘,资料密封功用良好、达到防潮、防水、抗老化、抗阻燃、耐电晕和长时间运转免?;さ扔诺恪S捎诠柘鸾河氲缋虏扇」浜?,径向缩短均匀度高,不会因热胀冷缩使内界面别离而发生内爬电击穿,一起对电缆本体有径向的持久压力,使内界面结合紧密牢靠。一起硅橡胶实质是无毒资料,对环保也有利。

(4)、部分电缆分支箱带负荷开关分断的电缆分支箱??墒迪只吠竦墓τ?,并且价格又低于环网柜,在户外起到代替开关站的重要作用,有便于保护实验和检修分支线路,减少停电经济损失的特点,特别是在线路走廊和建配电房较困难的情况下,更闪现其优越性。

(5)、带电可接触与带电不行接触的差异和选用

带电可接触电缆接头与带电不行接触电缆接头的首要差异,是在于前者的硅橡胶电缆接头内部有半导体屏蔽层,外有导电屏蔽层、经过金融抱箍衔接接地,确保电缆接头外表电位与接地相同;而后者相同为硅橡胶电缆接头,经过实测结果两者对地电压均为零值,但在实践运转中、后者外表或许发生感应静电。

假如使用在变电所内部的多回路并排运转中,需求检测其中一回路、而相邻回路带电运转时,使用可接触电缆接头对安满是有利的。但是使用在电缆分支箱中,根本不存在此类问题,由于规划是免?;げ?,分支箱内并无任何二次线路需求?;び爰煨蓿⑶曳种渫饪俏?/span>IP43防护等级,箱体已牢靠接地,在带电运转中不允许打开分支箱外壳,不存在带电接触分支箱内部电缆接头的任何或许。

即使在不行抗外力的损害下(如被轿车等外物强烈相碰撞),使用可接触与不行接触的电缆接头,其两者结果都是相同的。

从运转中的牢靠性视点分析、可接触电缆接头由于外表覆盖导电层并经金属抱箍接地,因而无任何外绝缘爬距存在。而不行接触电缆接头的外层为强绝缘的硅橡胶,尚有许多外绝缘爬距存在。显然,在相同的情况下,不行接触电缆接头的运转牢靠性高于可接触电缆接头。从经济上的视点考虑,不行接触硅橡胶电缆接头的价格也低于可接触型的电缆接头。因而,以选用不行接触硅橡胶电缆接头较为抱负。

五、电缆分支箱基础土建示意

 

六、电缆分支箱的安装使用条件和运行前注意事项

目前我国生产的电缆分支箱品种繁多,因此,电缆分支箱的安装施工就变得十分重要。在电缆分支箱与电缆接头安装连接过程的操作方法是否正确、电缆头安装工艺是否熟悉、电缆分支箱内部组件与电缆接头部件组合的先后次序,是否按照厂家配套提供安装规范说明书进行操作等等,都将直接影响电缆分支箱的使用寿命和正常运行。

电缆分支箱在运行前,必须检查各分支电缆的接地线是否与箱体的接地端子连接紧固。同时,箱体外壳必须与地网直接连接或有明显的接地点。电缆分支箱安装完工后,必须按照有关规定的试验标准和条件,对电缆和组件一起进行试验。