一品楼ypl论坛,一品凤楼论坛的官网入口,辽宁楼凤论坛qm,一品楼免费论坛

配网自动化中10kV一体化智能环网柜的运用分析

发布时间:2021-11-19 10:23:39

因为我国城网建造较早,出资多,而农网结构过于简单,且东西部展开不均衡,因此在城镇化进程中,以农业为中心的中西部区域初步了解与学习东南滨海区域的展开优势,并逐步认识到配电网在国民经济展开中不行替代的积极作用,特别是配网自动化展开,实际环网柜的结构会跟着城市建造脚步持续优化。

1供电一次方案结构

因为城市配电对供电有用性的要求非常高,且环网节点较多,整体供电结构较为繁琐,所以在建造中会挑选环网供电方式进行操作。通常状况下,这一方式需求引用全绝负荷开关柜、XGN口-12系列全密封这一供电方式作为载体,其间包括母线提高单元、断路器单元及负荷开关+熔断器组合电器单元等,在工作过程中与避雷器、电流等器材组合运用,能获取多样化的功用单元模块,此时在各个单元之间增加母线,可以让各个气箱随意组合与拓宽,这样有助于获取全模块化的组合结构。

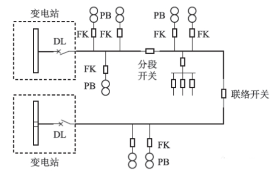
如下图所示,其作为现阶段典型的配电系统拓扑图,变电站的10kV出线配备断路器和对应?;?,主线路中引用开关分段,各分支线路结合负荷开关的办法进行配备,且悉数开关都具有合闸等功用。因为分段开关与负荷开关在工作期间,难以断开短路电流,所以不需求装置保护设施。其间,图中的DL归于断路器,FK归于负荷开关,而PB是配变。

 

图目前典型配电系统拓扑图

2二次方案的测控方式分析

在完结城市环网供电一次方案后,还要提出与之相关的监控单元,其间具体功用分为以下几点:其一,督查和丈量各回路的功率、电压及电流等,并及时上报给有关担任人;其二,明晰环网柜中各开关的方位;其三,检查过流信号,供子站要做好缺点隔绝作业;其四,全面遥控各个开关;其五,做好开关的过流与过负荷保护作业;其六,收集开关的气压信息。

分布式二次终端控制单元的设计,可以帮助作业人员进行缺点隔绝与分析、信息收集及全量监测等作业。通常状况下这一单元要装置在终端开闭方位,且与一次开关设备融为一体,两者能构本钱文提及的一体化智能环网开关设备。

3长途调度与控制

从本质上讲,一体化智能环网开关设备最大的优势在于,能引用分布式二次终端控制单元全面监管终端配变等信息,促使作业人员在了解有关改变的基础上,研讨获取数据信息,而后有用展示配电网络的信息,并作好相关控制。如负荷搬运、缺点点距离等,这些内容对确保其他线路供电安全具有积极作用。

4设备通讯

通讯作为自动化设备工作的中心内容,现阶段以光纤通讯为中心的通讯办法得到了社会各界的认可。因此,在配电自动化建造作业中,作业人员也要以光纤通讯为中心,让各个终端可以快速传递信息,并实现资源奉献,这样有助于配电自动化充沛展示自身具有的功用。一同,因为配电自动化建造作业具有有用性高、抗干扰力强,且不会受外界因素约束等特点,所以可以用作图像、语言等内容的传递途径。