发布时间:2021-12-06 10:54:47
电缆分支箱在电力体系配网电缆化工程中,是一种经济、稳定、维护便利的接线办法,它全绝缘、全密封的特性而电缆线路毛病率大为降低,成为配网电缆化工程的重要设备。节省了设备和电缆的出资,提高了供电的可靠性,广泛适用于商业中心、工业园区及城市密集区。接下来,我们就来了解一下。
一、电缆分支箱概述
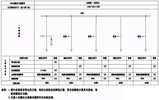
电缆分支箱用于非主干回路的分支线路,作为结束负荷接入用电运用,适用于中小客户会集区域进行负荷分接时的接入用电,不该接入主干环网及联络。电缆分支箱选用电缆进线1回,出线2回或4回,出线回路数可根据运用需求选用,额定电流为630A。选用全绝缘、全封闭、全屏蔽可触摸式结构,以及选用防凝露、防内部毛病电弧外泄等办法。
二、电缆分支箱电气一次部分

一进四出分支

进线带负荷开关

进出线负荷开关

进出线断路器
三、电缆分支箱分类
常见的电缆分支箱有美式电缆分支箱,欧式电缆分支箱,环网型电缆分支箱,带一台开关的电缆分支箱等,一般不含有维护安装。
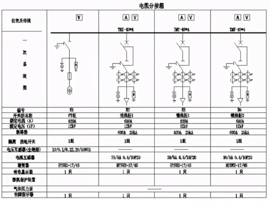
1)美式电缆分支箱,它以单向开门、横向母排为主要特点,具有宽度小、组合灵敏、全绝缘、全密封等显著长处。600A主回路选用旋入式螺栓固定衔接;分支回路选用拔插式衔接。
分支箱主要由箱体、母排接板、电缆接头组成;箱体防护等级:IP43;母排接板:在电缆分支体系中起到母排的效果,其特点是全绝缘,全密封。包括二通接头、三通接头和四通接头。
按电流等级可分为200A和600A两种。200A母排接板与肘型电缆插头衔接;600A母排接板因为T型电缆接头或T-Ⅱ型电缆接头衔接,从而组合成电缆多路出线。当母排接板留有预留接口时,可用相应的200A或600A绝缘帽将此接口封住。
T型电缆接头,用于电缆分支箱的主网分支体系600A,既能够衔接600A母排接板M,也能够和T-II型电缆接头600A侧衔接?;蛘咧苯佑萌舾芍?/span>T型电缆接头组合衔接,可灵敏组合成多路多种型式的电缆分支。
一同T型电缆接头也可作为环网柜的进出线电缆接头用,设备需求检修时,可将T型电缆接头安装在单通接头上,与检修设备进行隔离,在其测试点上也能够安装短路毛病指示器或带电指示器,相同完成快速毛病定位或线路带电状况指示。
2)欧式电缆分支箱,它的首要特点是双向开门、运用穿墙套管作为衔接母排,具有长度小、电缆摆放清楚、三芯电缆不需大跨度交叉等显着长处。一般选用额定电流630A螺栓固定衔接式电缆接头。
四、电缆分支箱的选型
(1)、橡塑外套为主材作为防护型的电缆分支箱。在长期工作中易产生内界面别离及显露端头龟裂,使绝缘和密封受损,因此该产品的展开受到限制。
(2)、丙橡胶三元乙(EPDM)为主材的电缆接头密封型电缆分支箱。其质料偏硬,而EPDM为可燃性资料,易产生爬电或起弧简单燃烧,一同,防潮防水及抗老化的功用也较弱,达不到长期工作免维护的要求。EPDM为有毒物质,对环保也存在不利因素。
(3)、硅橡胶为主材电缆接头防洪型电缆分支箱。其质料柔软,具有高弹性、高密度、全绝缘,资料密封功用杰出、达到防潮、防水、抗老化、抗阻燃、耐电晕和长期工作免维护等长处。因为硅橡胶与电缆采纳过盈配合,径向缩短均匀度高,不会因热胀冷缩使内界面别离而产生内爬电击穿,一同对电缆本体有径向的耐久压力,使内界面结合紧密可靠。一同硅橡胶本质是无毒资料,对环保也有利。
(4)、部分电缆分支箱带负荷开关分断的电缆分支箱??赏瓿苫吠竦墓τ?,并且价格又低于环网柜,在户外起到代替开关站的重要效果,有便于维护实验和检修分支线路,削减停电经济损失的特点,特别是在线路走廊和建配电房较困难的情况下,更闪现其优越性。
(5)、带电可触摸与带电不可触摸的差异和选用
带电可触摸电缆接头与带电不可触摸电缆接头的首要差异,是在于前者的硅橡胶电缆接头内部有半导体屏蔽层,外有导电屏蔽层、通过金融抱箍衔接接地,保证电缆接头外表电位与接地相同;而后者相同为硅橡胶电缆接头,通过实测成果两者对地电压均为零值,但在实践工作中、后者外表或许产生感应静电。
假如运用在变电所内部的多回路并排工作中,需求检测其间一回路、而相邻回路带电工作时,运用可触摸电缆接头对安满是有利的??墒窃擞迷?/span>电缆分支箱中,根本不存在此类问题,因为规划是免维护产品,分支箱内并无任何二次线路需求维护与检修,并且分支箱外壳为IP43防护等级,箱体已可靠接地,在带电工作中不允许打开分支箱外壳,不存在带电触摸分支箱内部电缆接头的任何或许。
即便在不可抗外力的损害下(如被轿车等外物激烈相碰撞),运用可触摸与不可触摸的电缆接头,其两者成果都是相同的。
从工作中的可靠性角度分析、可触摸电缆接头因为外表覆盖导电层并经金属抱箍接地,因此无任何外绝缘爬距存在。而不可触摸电缆接头的外层为强绝缘的硅橡胶,尚有许多外绝缘爬距存在。显然,在相同的情况下,不可触摸电缆接头的工作可靠性高于可触摸电缆接头。从经济上的角度考虑,不可触摸硅橡胶电缆接头的价格也低于可触摸型的电缆接头。因此,以选用不可触摸硅橡胶电缆接头较为抱负。
五、电缆分支箱基础土建示意
六、电缆分支箱的安装运用条件和运转前注意事项
目前我国生产的电缆分支箱品种繁多,因此,电缆分支箱的安装施工就变得十分重要。在电缆分支箱与电缆接头安装衔接过程的操作办法是否正确、电缆头安装工艺是否熟悉、电缆分支箱内部组件与电缆接头部件组合的先后次序,是否依照厂家配套供给安装规范说明书进行操作等等,都将直接影响电缆分支箱的运用寿命和正常运转。
电缆分支箱在运转前,有必要检查各分支电缆的接地线是否与箱体的接地端子衔接紧固。一起,箱体外壳有必要与地网直接衔接或有显着的接地址。电缆分支箱安装完工后,有必要依照有关规定的实验规范和条件,对电缆和组件一同进行实验。