一品楼ypl论坛,一品凤楼论坛的官网入口,辽宁楼凤论坛qm,一品楼免费论坛

如今电网系统中的电缆分支箱应用

发布时间:2021-04-29 14:18:03

电缆分支箱在电力系统配网电缆化工程中,是一种经济、稳定、维护便利的接线方式,它全绝缘、全密封的特性而电缆线路故障率大为降低,成为配网电缆化工程的首选设备。节省了设备和电缆的投资,提高了供电的可靠性,广泛适用于商业中心、工业园区及城市密集区。接下来,我们就来了解一下。

一、电缆分支箱概述

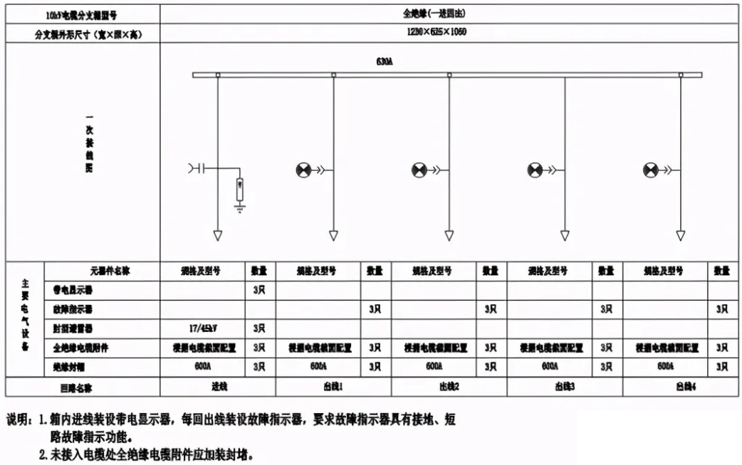
电缆分支箱用于非主干回路的分支线路,作为末端负荷接入用电使用,适用于中小客户集中区域进行负荷分接时的接入用电,不应接入主干环网及联络。电缆分支箱采用电缆进线1回,出线2回或4回,出线回路数可根据使用需要选用,额定电流为630A。采用全绝缘、全封闭、全屏蔽可触摸式结构,以及采取防凝露、防内部故障电弧外泄等措施。

二、电缆分支箱电气一次部分

一进四出分支

 

进线带负荷开关

进出线负荷开关

 

进出线断路器


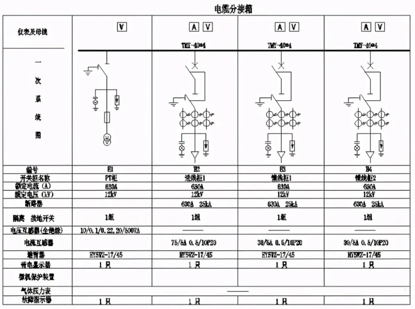
三、电缆分支箱分类

常见的电缆分支箱有美式电缆分支箱,欧式电缆分支箱,环网型电缆分支箱,带一台开关的电缆分支箱等,一般不含有?;ぷ爸?。

 

1)美式电缆分支箱,它以单向开门、横向母排为主要特点,具有宽度小、组合灵活、全绝缘、全密封等显著优点。600A主回路采用旋入式螺栓固定连接;分支回路采用拔插式连接。

  

分支箱主要由箱体、母排接板、电缆接头组成;箱体防护等级:IP43;母排接板:在电缆分支系统中起到母排的作用,其最大特点是全绝缘,全密封。包括二通接头、三通接头和四通接头。

按电流等级可分为200A600A两种。200A母排接板与肘型电缆插头连接;600A母排接板由于T型电缆接头或T-Ⅱ型电缆接头连接,从而组合成电缆多路出线。当母排接板留有预留接口时,可用相应的200A600A绝缘帽将此接口封住。

  

T型电缆接头,用于电缆分支箱的主网分支系统600A,既可以连接600A母排接板M,也可以和T-II型电缆接头600A侧连接?;蛘咧苯佑萌舾芍?/span>T型电缆接头组合连接,可灵活组合成多路多种型式的电缆分支。

 

同时T型电缆接头也可作为环网柜的进出线电缆接头用,设备需要检修时,可将T型电缆接头安装在单通接头上,与检修设备进行隔离,在其测试点上也可以安装短路故障指示器或带电指示器,同样实现快速故障定位或线路带电状态指示。

2)欧式电缆分支箱,它的主要特点是双向开门、利用穿墙套管作为连接母排,具有长度小、电缆排列清楚、三芯电缆不需大跨度交叉等显著优点。一般采用额定电流630A螺栓固定连接式电缆接头。


四、电缆分支箱的选型

(1)、橡塑外套为主材作为防护型的电缆分支箱。在长期运行中易发生内界面分离及外露端头龟裂,使绝缘和密封受损,因此该产品的发展受到限制。

(2)、丙橡胶三元乙(EPDM)为主材的电缆接头密封型电缆分支箱。其材质偏硬,而EPDM为可燃性材料,易发生爬电或起弧容易燃烧,同时,防潮防水及抗老化的性能也较弱,达不到长期运行免维护的要求。EPDM为有毒物质,对环保也存在不利因素。

(3)、硅橡胶为主材电缆接头防洪型电缆分支箱。其材质柔软,具有高弹性、高密度、全绝缘,材料密封性能良好、达到防潮、防水、抗老化、抗阻燃、耐电晕和长期运行免维护等优点。因为硅橡胶与电缆采取过盈配合,径向收缩均匀度高,不会因热胀冷缩使内界面分离而产生内爬电击穿,同时对电缆本体有径向的持久压力,使内界面结合紧密可靠。同时硅橡胶本质是无毒材料,对环保也有利。

(4)、部分电缆分支箱带负荷开关分断的电缆分支箱??墒迪只吠竦墓δ?,而且价格又低于环网柜,在户外起到代替开关站的重要作用,有便于维护试验和检修分支线路,减少停电经济损失的特点,特别是在线路走廊和建配电房较困难的情况下,更显现其优越性。

(5)、带电可触摸与带电不可触摸的区别和选用

带电可触摸电缆接头与带电不可触摸电缆接头的主要区别,是在于前者的硅橡胶电缆接头内部有半导体屏蔽层,外有导电屏蔽层、通过金融抱箍连接接地,确保电缆接头表面电位与接地相同;而后者同样为硅橡胶电缆接头,通过实测结果两者对地电压均为零值,但在实际运行中、后者表面可能产生感应静电。

如果使用在变电所内部的多回路并列运行中,需要检测其中一回路、而相邻回路带电运行时,使用可触摸电缆接头对安全是有利的。但是使用在电缆分支箱中,根本不存在此类问题,因为设计是免维护产品,分支箱内并无任何二次线路需要维护与检修,而且分支箱外壳为IP43防护等级,箱体已可靠接地,在带电运行中不允许打开分支箱外壳,不存在带电触摸分支箱内部电缆接头的任何可能。

即使在不可抗外力的侵害下(如被汽车等外物强烈相碰撞),使用可触摸与不可触摸的电缆接头,其两者结果都是相同的。

从运行中的可靠性角度分析、可触摸电缆接头由于表面覆盖导电层并经金属抱箍接地,因此无任何外绝缘爬距存在。而不可触摸电缆接头的外层为强绝缘的硅橡胶,尚有许多外绝缘爬距存在。显然,在相同的情况下,不可触摸电缆接头的运行可靠性高于可触摸电缆接头。从经济上的角度考虑,不可触摸硅橡胶电缆接头的价格也低于可触摸型的电缆接头。因此,以采用不可触摸硅橡胶电缆接头较为理想。

五、电缆分支箱基础土建示意

 

六、电缆分支箱的安装使用条件和运行前注意事项

目前我国生产的电缆分支箱品种繁多,因此,电缆分支箱的安装施工就变得十分重要。在电缆分支箱与电缆接头安装连接过程的操作方法是否正确、电缆头安装工艺是否熟悉、电缆分支箱内部组件与电缆接头部件组合的先后次序,是否按照厂家配套提供安装规范说明书进行操作等等,都将直接影响电缆分支箱的使用寿命和正常运行。

电缆分支箱在运行前,必须检查各分支电缆的接地线是否与箱体的接地端子连接紧固。同时,箱体外壳必须与地网直接连接或有明显的接地点。电缆分支箱安装完工后,必须按照有关规定的试验标准和条件,对电缆和组件一起进行试验。