发布时间:2022-03-25 11:19:22
电缆分支箱在电力系统配网电缆化工程中,是一种经济、稳定、保护便利的接线方法,它全绝缘、全密封的特性而电缆线路缺点率大为下降,成为配网电缆化工程的重要设备。节省了设备和电缆的出资,提高了供电的牢靠性,广泛适用于商业中心、工业园区及城市密集区。
一、电缆分支箱概述
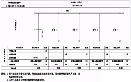
电缆分支箱用于非骨干回路的分支线路,作为结束负荷接入用电运用,适用于中小客户会合区域进行负荷分接时的接入用电,不该接入骨干环网及联络。电缆分支箱选用电缆进线1回,出线2回或4回,出线回路数可根据运用需求选用,额定电流为630A。选用全绝缘、全封闭、全屏蔽可接触式结构,以及选用防凝露、防内部缺点电弧外泄等方法。
二、电缆分支箱电气一次部分

一进四出分支

进线带负荷开关

进出线负荷开关

进出线断路器
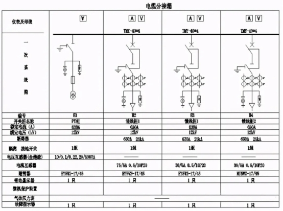
三、电缆分支箱分类
常见的电缆分支箱有美式电缆分支箱,欧式电缆分支箱,环网型电缆分支箱,带一台开关的电缆分支箱等,一般不含有?;ぷ爸谩?/span>
1)美式电缆分支箱,它以单向开门、横向母排为主要特点,具有宽度小、组合活络、全绝缘、全密封等明显利益。600A主回路选用旋入式螺栓固定联接;分支回路选用拔插式联接。
分支箱主要由箱体、母排接板、电缆接头组成;箱体防护等级:IP43;母排接板:在电缆分支系统中起到母排的作用,其特点是全绝缘,全密封。包括二通接头、三通接头和四通接头。
按电流等级可分为200A和600A两种。200A母排接板与肘型电缆插头联接;600A母排接板由于T型电缆接头或T-Ⅱ型电缆接头联接,从而组合成电缆多路出线。当母排接板留有预留接口时,可用相应的200A或600A绝缘帽将此接口封住。
T型电缆接头,用于电缆分支箱的主网分支系统600A,既能够联接600A母排接板M,也能够和T-II型电缆接头600A侧联接。或者直接用若干只T型电缆接头组合联接,可活络组合成多路多种型式的电缆分支。
一同T型电缆接头也可作为环网柜的进出线电缆接头用,设备需求检修时,可将T型电缆接头装置在单通接头上,与检修设备进行阻隔,在其测试点上也能够装置短路缺点指示器或带电指示器,相同完结快速缺点定位或线路带电状况指示。
2)欧式电缆分支箱,它的首要特点是双向开门、运用穿墙套管作为联接母排,具有长度小、电缆摆放清楚、三芯电缆不需大跨度交叉等明显利益。一般选用额定电流630A螺栓固定联接式电缆接头。