一品楼ypl论坛,一品凤楼论坛的官网入口,辽宁楼凤论坛qm,一品楼免费论坛

关于10kV配电网自动化建设中的环网柜实际应用

发布时间:2022-05-06 11:13:58

一体化智能环网柜是10kV配网自动化制作的重要组成部分。以现阶段配网自动化发展情况为根底,结合近年来一体化智能环网柜发展特色,明晰年代发展对配网设备技术功用提出的要求,解析如安在10kV配网自动化制作中合理运用一体化智能环网柜,以此为我国配网制作作业发展供给有用依据。

现阶段,尽管配电自动化制作已经成为电力行业重视的焦点之一,但全体水平仍旧处于发展的初级阶段,原因在于配网制作投入资金低于主网制作,且实践自动化水平不高,毕竟导致我国供电质量远远低于国际水平。一起,受功用较低的配网设备技术影响,全国各地供电康复速度较慢,且出现安全事故的概率十分高,这样不只会影响城市居民的日子质量,并且会束缚城市经济发展速度。因而,在我国电力市场经济逐渐构成的一起,有关担任人要在明晰配网问题后,对城市配网自动化制作作业进行全面探求,并将一体化智能环网柜引证到作业中,只需这样才华加速我国配网制作脚步。下面对一体化智能环网柜在10kV配网自动化制作中的运用进行研讨。

 

1解析配网自动化

简略来说,配网自动化是指运用通讯技术和计算机网络技术,对地理图形、配网信息及用户数据等施行集成,毕竟能对配电体系的实践作业与安全事故进行操控、监控等功用的自动化体系。了解当时配网自动化制作作业情况可知,其对优化配电网供电有用性具有积极作用,且能引导配网处理作业向着自动化改造,此刻不只能进步全体处理水平,行进劳动出产率,并且能够减少本钱开销,然后保证配网经济具有可行性和有用性。一般情况下,配网自动化体系包含了三部分:配电主站、配电子站及配电终端。其间,配电自动化通讯体系的技术水平决议了全体体系作业功率。在实践作业中,通讯体系作为储藏出产与处理信息的重要途径,会有用连接主站、子站及终端三部分,因而归于保证电力安全和出产质量的重要内容。

行进配电网作业功率和经济效益是进行配电自动化制作作业的底子要求,一起也是保证智能配电网有序作业的重要方法。配电体系作为智能电网有序作业的首要组成部分,在制作配网自动化作业中,有助于完成配电体系智能化发展政策。由此,在新形势下,智能配电网会跟着发展出现出新的改动,具体分为:其一,在配电网自动化体系中,电源散布、储能体系规划等都能够处理以往发展问题;其二,在配电网自动化体系中引证的高级软件,能够继续改善智能电网重构作业。

 

2当时一体化智能环网柜运用现状解析

在我国社会经济和科学技术继续发展中,电力市场经济逐渐构成。在这一布景下,配网存在的缺点得到了展现,不只威胁着城市经济发展脚步,并且会下降当地居民的用电质量,因而在电力行业继续发展中,构建契合城市制作发展的配网自动化已经成为现如今急需处理的难题。由于一体化智能环网柜的提出,对我国配电自动化制作作业具有积极作用,且能够加速我国配电体系改造脚步,所以在未来发展中必须要对配电操控的一体化智能环网柜进行全面探求,只需这样才华为所在区域的电力行业发展获取更多效益。

现阶段,最常见的10kV一体化智能环网柜已经成为我国东南滨海区域改造电力体系的重要依据,一起国外许多发达国家也已认识到这一技术的优势,并开始在实践中广泛运用。在这一布景下,配电自动化制作作业发展较快,且有关研讨人员从中累积了许多经验。跟着社会经济的不断发展,人们日子质量的行进,他们在接受新鲜事物时不再冲突,相反开始自主思考和研讨,此刻再得到政府部门的支撑和认可,一体化智能环网柜的研制与运用必然能够成为电力行业完成可继续发展的重要依据。

了解当时我国配网自动化制作情况可知,尽管仍旧处于初级阶段,且对比主网制作出资,可用资金与自动化水平都不高,不只难以保证供电质量,并且会影响当地经济发展。但从长远视点解析,只需有关担任人在明晰一体化智能环网柜优势的一起,整合新年代发展提出的技术要求,对配网自动化制作进行全面探求,就能从中提出保证电力行业继续发展的优质技术。当时,由于配电自动化制作作业存在运用设备功用低、技术老套、安全事故再三产生等问题,所以在作业中会有康复供电时间长等影响,这样既会下降城市居民用电水平,又会影响电力行业发展速度。一起,部分区域的配网自动化水平尽管高,但也存在配电一二次设备过于分散的问题,各个厂家间的沟通不再三,运用标准不明晰等,都会给配电网作业质量安全带来负面影响。

 

3配网自动化制作中10kV一体化智能环网柜的运用解析

由于我国城网制作较早,出资多,而农网结构过于简略,且东西部发展不均衡,因而在城镇化进程中,以农业为中心的中西部区域开始了解与学习东南滨海区域的发展优势,并逐渐认识到配电网在国民经济发展中不可代替的积极作用,特别是配网自动化发展,实践结构会跟着城市制作脚步继续优化。

3.1供电一次计划结构

由于城市配电对供电有用性的要求十分高,且环网节点较多,全体供电结构较为繁琐,所以在制作中会挑选环网供电方法进行操作。一般情况下,这一方法需求引证全绝负荷开关柜、XGN口-12系列全密封这一供电方法作为载体,其间包含母线进步单元、断路器单元及负荷开关+熔断器组合电器单元等,在作业过程中与避雷器、电流等器件组合运用,能获取多样化的功用单元模块,此刻在各个单元之间添加母线,能够让各个气箱随意组合与拓宽,这样有助于获取全??榛淖楹辖峁埂?/span>

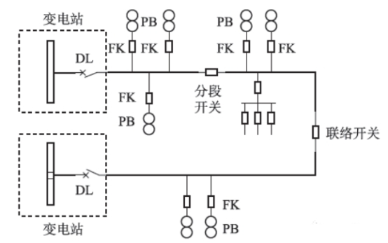
如下图所示,其作为现阶段典型的配电体系拓扑图,变电站的10kV出线装备断路器和对应维护,主线路中引证开关分段,各分支线路结合负荷开关的方法进行装备,且全部开关都具有合闸等功用。由于分段开关与负荷开关在作业期间,难以断开短路电流,所以不需求设备维护设施。其间,图中的DL归于断路器,FK归于负荷开关,而PB是配变。

 

图现在典型配电体系拓扑图

3.2二次计划的测控方法解析

在结束城市环网供电一次计划后,还要提出与之相关的监控单元,其间具体功用分为以下几点:其一,督查和丈量各回路的功率、电压及电流等,并及时上报给有关担任人;其二,明晰环网柜中各开关的方位;其三,检查过流信号,供子站要做好缺点阻隔作业;其四,全面??馗鞲隹?;其五,做好开关的过流与过负荷维护作业;其六,搜集开关的气压信息。

散布式二次终端操控单元的规划,能够协助作业人员进行缺点阻隔与解析、信息搜集及全量监测等作业。一般情况下这一单元要设备在终端开闭方位,且与一次开关设备融为一体,两者能构本钱文提及的一体化智能环网开关设备。

3.3远程调度与操控

从本质上讲,一体化智能环网开关设备最大的优势在于,能引证散布式二次终端操控单元全面监管终端配变等信息,促使作业人员在了解有关改动的根底上,研讨获取数据信息,然后有用展现配电网络的信息,并作好相关操控。如负荷搬运、缺点点间隔等,这些内容对保证其他线路供电安全具有积极作用。

3.4设备通讯

通讯作为自动化设备作业的中心内容,现阶段以光纤通讯为中心的通讯方法得到了社会各界的认可。因而,在配电自动化制作作业中,作业人员也要以光纤通讯为中心,让各个终端能够快速传递信息,并完成资源贡献,这样有助于配电自动化充沛展现自身具有的功用。一起,由于配电自动化制作作业具有有用性高、抗干扰力强,且不会受外界因素束缚等特色,所以能够用作图画、语言等内容的传递途径。

 

4对比总结

10kV配网自动化制作作业中,对比解析传统环网柜与一体化智能环网柜可知,在实践作业中运用一体化智能环网柜的优势首要分为以下几点:其一,一体化智能环网柜中包含了一次和二次设备,契合配网自动化发展需求,且在内部设备了散布式二次终端操控单元、电压互感器等内容,具有遥信全方位、配网遥测等功用,在实践发展中不只运用技术越发娴熟,并且作业功率和安全质量得到了保证,能满足不同规划的配网需求。在新年代布景下,对一体化智能环网柜进行合理运用,有助于引导智能配网向着自动化和信息化的方向稳步行进;其二,在10kV城乡配网制作作业中,一体化智能环网柜在先进技术理念的引导下,有助于作业人员从速了解作业期间存在的安全问题,并及时提出有用的处理对策,这样不只能快速康复供电,并且能够保证重要负荷的供电功率;其三,合理引证一体化智能环网柜能减少配网制作的实践出资,并引导全体体系向着智能化处理与双向沟通的方向稳步发展。

 

5定论

综上所述,在社会经济和科学技术继续发展中,我国城镇化进程越来越快,此刻作为人们日子和作业的根底内容,配电网络开始向着自动化发展,此刻运用一体化智能环网柜能够从根底上打破传统人工处理方法的束缚,不只能行进居民用电质量,并且能够加速电力行业发展脚步。一起,由于一体化智能环网柜归于一个完善的自动化处理体系,结合光纤快速传递测控信号,既能够进行准确的缺点定位,又能从中保证供电的有用性。因而,在新年代布景下,不管是政府机关仍是底层大众都要加大对配网自动化制作的重视,重视引证一体化智能环网柜进行改造,只需这样才华引导电力行业继续发展。